Technical Services

 

ECM Group and its associated subcontractors provide a wide range of technical services for environmental management, cleanup and compliance projects:

 

  • Permitting - We have extensive experience with NPDES permits, Air District discharge permits, sanitary sewer permits, and all the permits required for site assessment and cleanup.

 

  • Compliance Plans - We’ve prepared many Spill Prevention, Control, and Countermeasures Plans (SPCC) and Hazardous Materials Management Plans (HMMP) for storage and inventory control for our clients.

 

  • Storm Water Compliance - We have prepared and implemented Industrial and Municipal SWPPP permits, including MS4 permits. We provide sampling and reporting compliance for industrial facilities, and annual reporting for MS4 systems.

 

  • Site Characterization - We’ve assessed hundreds of properties, ranging from a few hundred square feet to several square miles. Our work has supported site developments, demolitions, rezoning, property transfers, and other purposes. We’ve provided peer review for property portfolios held by the Federal Resolution Trust Corporation.

 

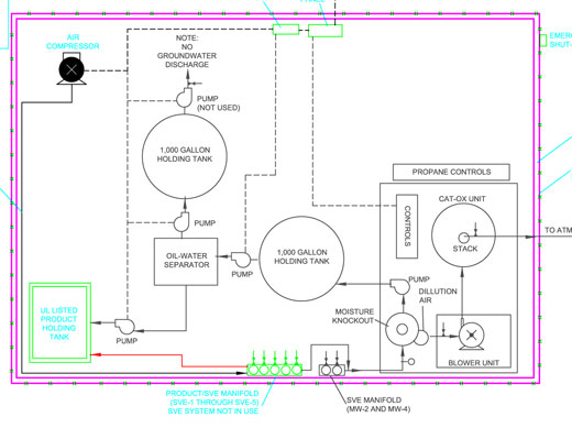
  • Remedial Design and Implementation - Our technical staff have created and built numerous cleanup systems for a variety of applications. We have multiple component suppliers and sources so that cleanup dollars are used efficiently and effectively for each individual case. There are often several options available for meeting cleanup goals, so our plans are designed to match the time frames desired for each client.

 

  • UST Cleanup Fund - We have been working with the UST Cleanup Fund since its inception. We’ve seen the Fund grow and change as the State staffers have matured into a supporting agency for site cleanup and case closure. We have filed new claims, taken over existing claims, and reinstated claims that had been deemed ineligible or expired. Our cost recovery averages over 99% for UST cases.

 

  • Risk Assessment and Modeling - Our senior engineers utilize risk modeling software to support site characterization and conceptual models, and to support case closure negotiation. We routinely model groundwater conditions and fate and transport mechanisms. We have prepared risk assessment reports for human health occupancy review by County Health Departments, and for DTSC Preliminary Endangerment Assessment (PEA) reports.

 

  • Indoor Air Sampling and Modeling - Indoor air risk from subsurface contaminants is an important factor for management of impacted sites. The cost of cleanup to baseline or background levels is not economically feasible at many sites. Use of risk modeling and receptor identification will support case closure, provided that indoor air risks have been properly evaluated and mitigated, if necessary.

 

  • Case Closure - This is the ultimate goal of our work. We’ve negotiated and obtained closure for cases throughout Northern California. We’ve used the appeals process to overturn local Agency decisions when necessary. In 2010, we had two cases closed by the State Water Board over the objections of the two Regional Water Boards with case jurisdiction. In the last five years, we have completed 17 case closures, and we expect another 10 to 12 closures in the next two years.

 

*Click any image in slideshow to enlarge.

Item 1 Title

Item 1 Description

Item 2 Title

Item 2 Description

Item 3 Title

Item 3 Description

Item 4 Title

Item 4 Description

Item 5 Title

Item 5 Description

Item 6 Title

Item 6 Description